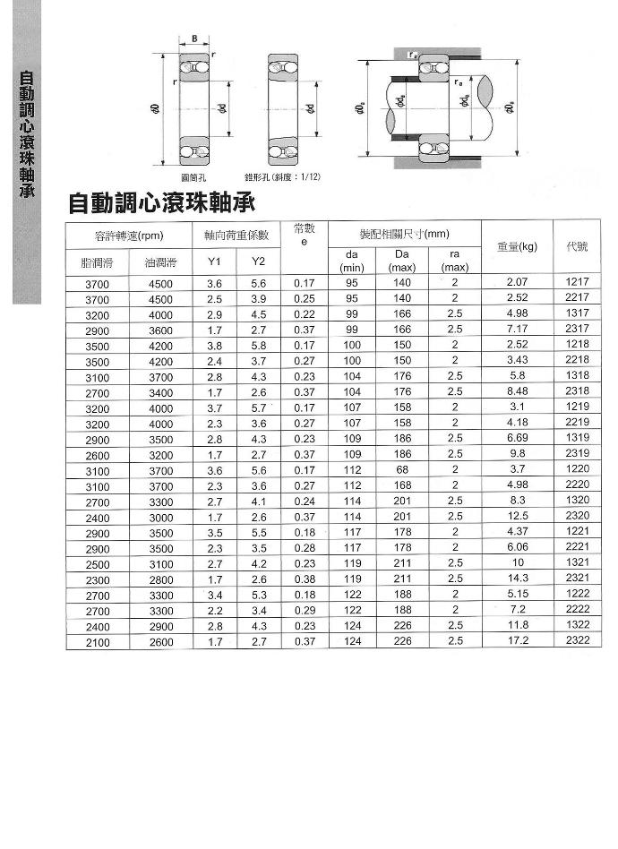
自動調心滾珠軸承

https://www.her-sherng.com/web/image/product.template/8/image_1920?unique=4a8de3a

調心球面軸承的外圈滾道面成球面,且曲率中心與軸承中心一致,即使內圈,球和保持架相對於外圈有些傾斜時,也可正常旋轉(具有調心性能)因此適用於易產生軸與外殼不同心或軸遶曲的部位,另圓錐孔軸承通過緊固件可方便地安裝在軸上。

    此組合不存在。

    1.00 1.0 USD 1.00

    1.00

    Specifications型錄規格

    自動調心滾珠軸承

    Contact Us聯絡我們

    我們致力於提供多元化的產品以及優良的品質,讓您擁有更好的合作體驗